Delta 21T134 Bruksanvisning
Les nedenfor 📖 manual på norsk for Delta 21T134 (2 sider) i kategorien Kran. Denne guiden var nyttig for 3 personer og ble vurdert med 4.0 stjerner i gjennomsnitt av 2 brukere
Side 1/2

Lavatory Faucets
4" Centerset - TUF-TECK® compression structures
Model No: 21T134
SPECIFICATION:
•
HEAVY DUTY CAST BRASS centerset faucet
•
102mm (4") centers, two handle
•
Polished chrome plated finish with polished underspout
•
Metal hold-down package
•
Metal hold-down package
•
Outlet#: 3 - Vandal Resistant 1.5 gpm (5.7L/min) Flow Control Aerator
•
Handle#: 4 - 102 mm (4") Blade Handles- ADA Compliant-Sanitary Hoods-
Metal-Color indexed-Vandal resistant screws
•
Std. Product Less Pop-up (No Pop-up Hole)
COMPLIES WITH:
•
CSA certified
•
Complies to ASME A112.18.1/CSA B125.1
•
Verified compliant with 0.25% weighted average Pb content regulations
•
Handles No. 2, 3, 4 and 5
Indicates compliance to ICC/ANSI A117.1
•
Outlet options 2,3 and 4 are EPA WaterSense listed
•
(Contact Delta Representative for State and/or Local Approvals)
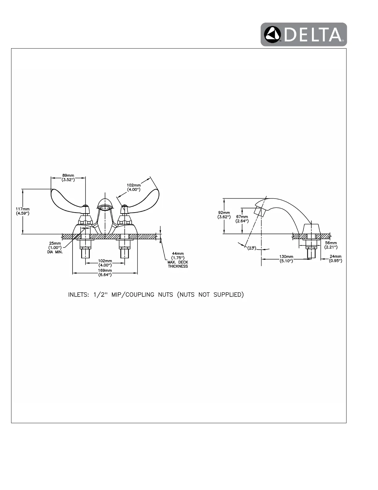
(Dimensional drawing on following page)
•
Not Available
OPERATION:
Delta reserves the right (1) to make changes to specifications and materials, and (2) to change or discontinue models, both without notice or obligation. Dimensions are for reference.
Measurement may vary plus or minus 6mm(0.25"). Mounting locations are suggested only. Check with local codes for requirements in your area. This spec was produced December 18, 2016.
- 1.0.25277
Page of1 2
Delta Faucet Company - 55 East 111th St. - Indianapolis, Indiana, USA 46280 - (317) 848-1812
Delta Faucet Canada - 395 Matheson Blvd E - Mississauga, Ontario, Canada L4Z 2H2 - (905) 712-3030

Model No: 21T134
Delta reserves the right (1) to make changes to specifications and materials, and (2) to change or discontinue models, both without notice or obligation. Dimensions are for reference.
Measurement may vary plus or minus 6mm(0.25"). Mounting locations are suggested only. Check with local codes for requirements in your area. This spec was produced December 18, 2016.
- 1.0.25277
Page of2 2
Delta Faucet Company - 55 East 111th St. - Indianapolis, Indiana, USA 46280 - (317) 848-1812
Delta Faucet Canada - 395 Matheson Blvd E - Mississauga, Ontario, Canada L4Z 2H2 - (905) 712-3030
Produkspesifikasjoner
Merke: | Delta |
Kategori: | Kran |
Modell: | 21T134 |
Trenger du hjelp?
Hvis du trenger hjelp med Delta 21T134 still et spørsmål nedenfor, og andre brukere vil svare deg
Kran Delta Manualer
30 September 2025
30 September 2025
30 September 2025
30 September 2025
30 September 2025
3 Januar 2025
12 Desember 2024
12 Desember 2024
12 Desember 2024
12 Desember 2024
Kran Manualer
- Sani-Lav
- Concept
- BTI Aqua-Solutions
- Puretec
- Oras
- Nodor
- Pfister
- Rogerseller
- Hansgrohe
- Rohl
- Moen
- Teka
- Biltema
- InSinkErator
- Billi
Nyeste Kran Manualer
2 Oktober 2025
2 Oktober 2025
2 Oktober 2025
2 Oktober 2025
2 Oktober 2025
2 Oktober 2025
2 Oktober 2025
2 Oktober 2025
2 Oktober 2025
2 Oktober 2025