Vestil ALL-T-2-48 Bruksanvisning
Les nedenfor 📖 manual på norsk for Vestil ALL-T-2-48 (9 sider) i kategorien truck. Denne guiden var nyttig for 3 personer og ble vurdert med 4.2 stjerner i gjennomsnitt av 2 brukere
Side 1/9

INSTRUCTION MANUAL
ALL TERRAIN PALLET TRUCK
HAND PALLET TRUCK
WARNING !
1. Read and understand instruction manual before using the pallet truck.
2. Do not place hands or feet under the pallet truck at any time.
3. Do not operate loaded pallet truck on ramps or inclines.
4. Do not tip loaded pallet truck forks. This may cause damage to the forks and
personal injury if the rear of the pallet truck suddenly “pops up”.
5. Never leave a loaded pallet truck unattended in the raised position.
6. Do not load pallet truck beyond its rated capacity.
7. Secure load before transporting.
8. To prevent accidental tipping, make sure load is centered on the forks.
9. Do not move a loaded pallet truck by other than manual force.
10. Failure to comply with these warnings may result in personal injury and/or
property damage.
NOTE: Materials, design, and specifications are subject to change without
notice.

Introduction
Thank you for purchasing an ALL-T-2 manual pallet truck. This pallet truck was designed to traverse rough
terrain where no ordinary pallet truck can go and is adapted for use in settings such as garden nurseries,
construction sites, and marinas. The truck features a high quality hydraulic pump with welded construction
and chrome plated piston and pump plunger ensure durability and corrosion resistance. All the joints are
fitted with seals to ensure sealing and keep the body from oil leaking. Safety by-pass valve helps protect
against overload. 3-position control handle allows operator to lower, raise and engage pump into neutral
position with a simple tough of the lever. Strong & light tubular steel framing and adjustable fork width.
Large pneumatic tires make handling pallets of most sizes possible without the need for a forklift.
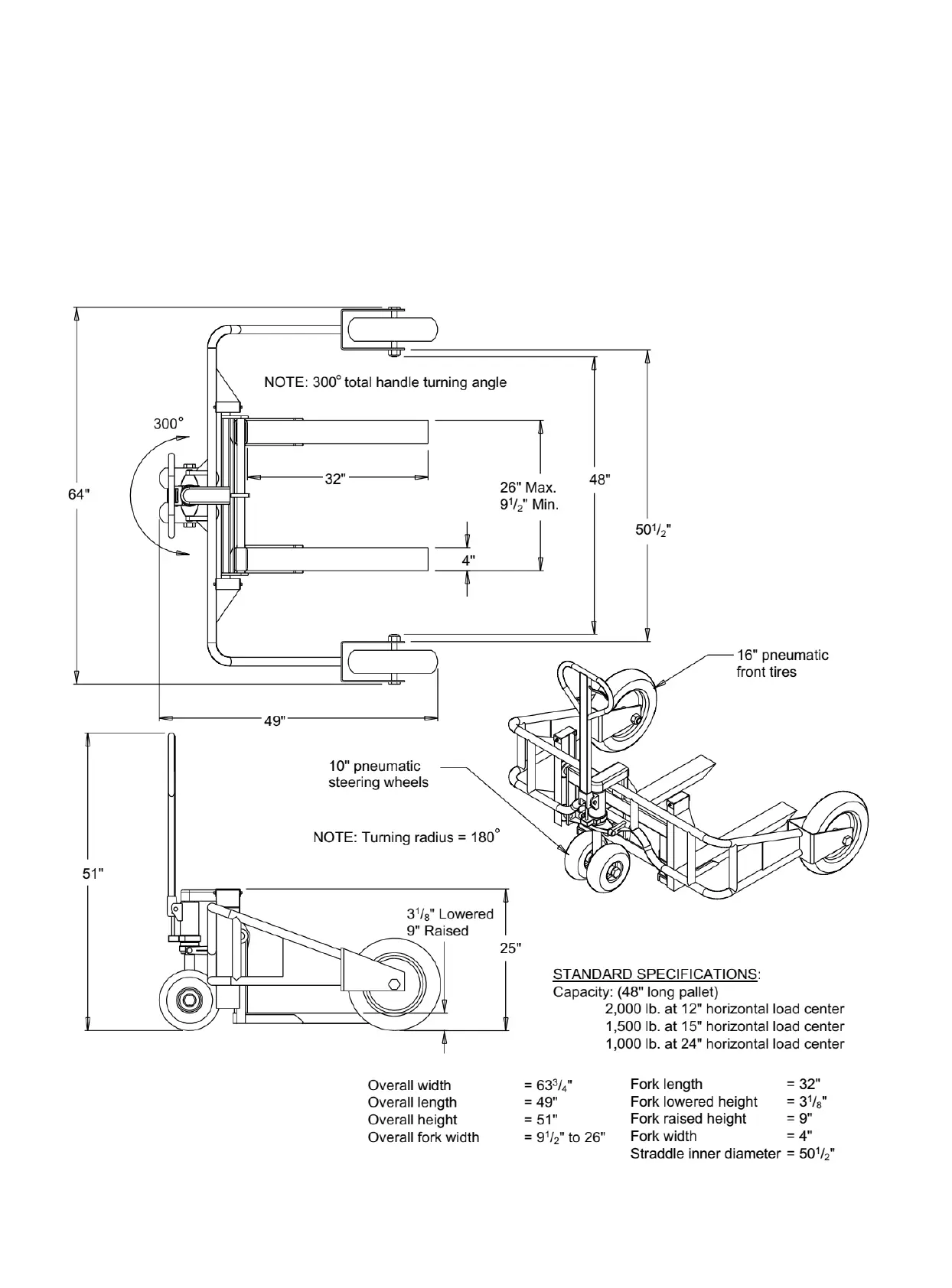
Specifications
2
Produkspesifikasjoner
Merke: | Vestil |
Kategori: | truck |
Modell: | ALL-T-2-48 |
Trenger du hjelp?
Hvis du trenger hjelp med Vestil ALL-T-2-48 still et spørsmål nedenfor, og andre brukere vil svare deg
truck Vestil Manualer
2 Oktober 2025
2 Oktober 2025
2 Oktober 2025
2 Oktober 2025
2 Oktober 2025
2 Oktober 2025
2 Oktober 2025
2 Oktober 2025
2 Oktober 2025
2 Oktober 2025
Vestil Manualer
2 Oktober 2025
2 Oktober 2025
2 Oktober 2025
2 Oktober 2025
2 Oktober 2025
2 Oktober 2025
2 Oktober 2025
2 Oktober 2025
2 Oktober 2025
2 Oktober 2025