Biltema 86-101 Bruksanvisning
Les nedenfor 📖 manual på norsk for Biltema 86-101 (4 sider) i kategorien dørlukker. Denne guiden var nyttig for 6 personer og ble vurdert med 3.9 stjerner i gjennomsnitt av 3.5 brukere
Side 1/4

Art. 86-101
© Copyright Biltema Nordic Services AB (2007-02-06)
1
SE
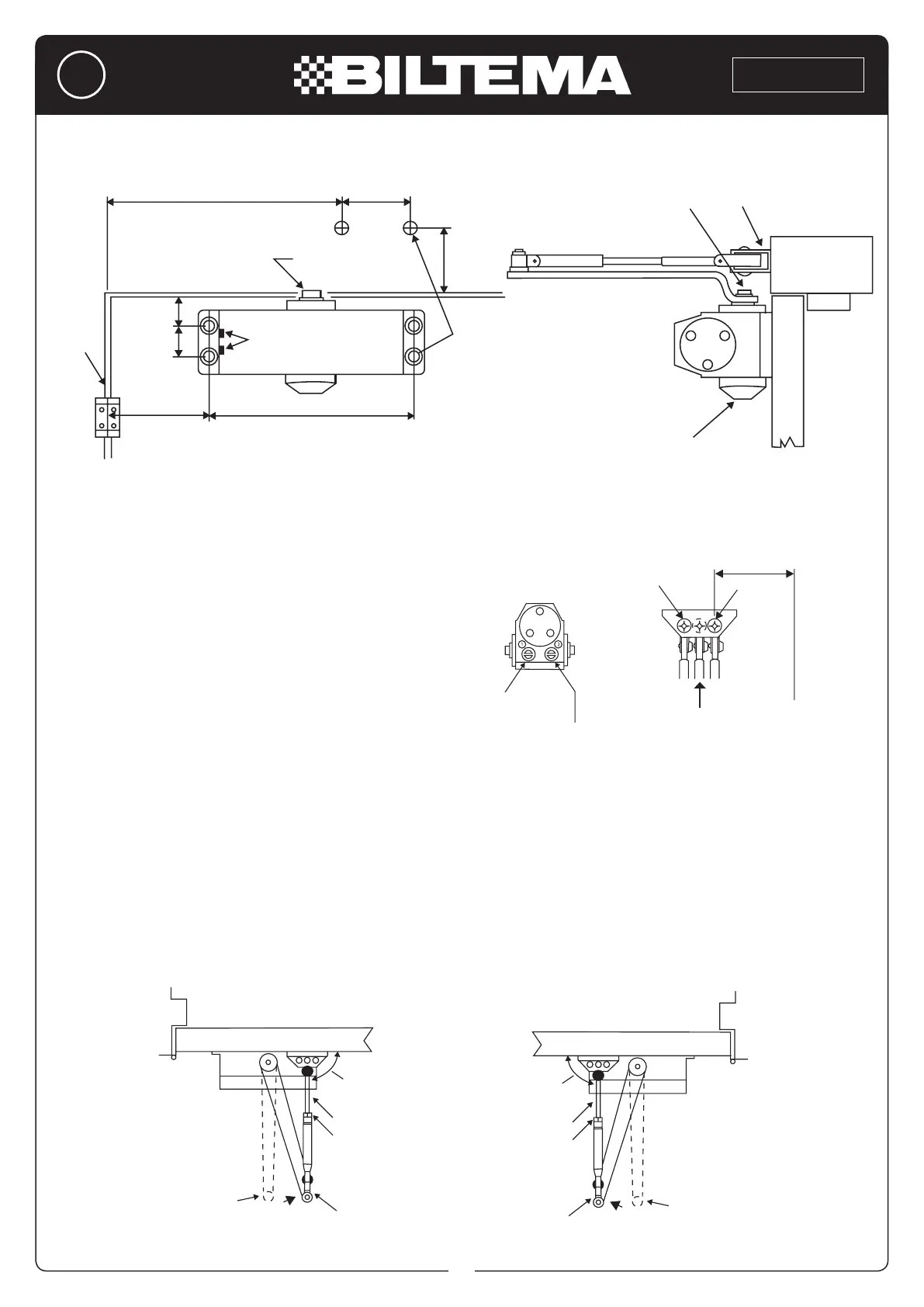
DÖRRSTÄNGARE
STANDARDMONTERING
DÖRRSTÄNGAREN MONTERAD PÅ DÖRRENS DRAG
-
SIDA.
MONTERING
1. Välj öppningsgrad och använd mått som visas i ovanstå
-
ende mall för att markera fyra hål i dörren för stängaren
och två hål i karmen för länkfästet.
2. Borra hål i dörr och karm för träskruv för 5x30 mm.
3. Montera stängaren på dörren med hastighetsreglaget
placerat i riktning mot dörrupphängningen.
4. Placera arm och länk på överdelen av stängaren vid kor
-
rekt markering, såsom visas i bild. För vänsterhängd dörr,
se bild A, för högerhängd dörr, se bild B. Drag åt armens
skruv med låsbricka ordentligt.
5. Fäst länkfästet i karmen.
6. Justera länkens längd. När den är fäst på armen skall
länken befinna sig i ca 80° vinkel mot den stängda dörren.
Arm och länk skall vara monterade med åtdragen låsmut
-
ter.
7. Placera skyddshatten över axeln på stängarens
undersida och tryck lätt för fastsättning.
MONTERINGSLÄGE
Montera med inställningsskruv för hastighet placerad i rikt
-
ning mot dörrupphängning.
Inställningsskruv för
stängningshastighet
Inställningsskruv för
tillslagshastighet
Mindre kraft
Mer kraft
JUSTERING AV STÄNGNINGSHASTIGHET
KRAFT – Stängningskraften är inställd på ett medelvärde hos
tillverkaren. Om ytterligare stängningskraft behövs, flytta då
länken från centrumhålet i länkfästet till hålet närmast armen.
Om mindre stängningskraft behövs, flytta dä länken till hålet
längst ifrån armen.
Högerhängd dörr
Vänsterhängd dörr
162120
25
22
19
44,5225
Standardinställning
Högervinkel
Vänstervinkel
Skruv och låsbricka
Länkfäste
Inställningsskruv för hastighet
placeras i riktning mot dörrupp
-
hängning
M5-skruvar eller
träskruvar med Ø 5 mm.
Skyddshatt
Centralnav
Denna mall täcker normal montering av arm till 180° öppning.
Dörrupphängning
162120
25
22
19
44,5225
162120
25
22
19
44,5225
Dörrupphängning
Dörr
Dörrkarm
Länkarm
Låsmutter
Armbåge
Läge för huvudarm
när den monterats
till centralnavet
Länkarm
Låsmutter
Armbåge
Läge för huvudarm
när den monterats
till centralnavet
Produkspesifikasjoner
| Merke: | Biltema |
| Kategori: | dørlukker |
| Modell: | 86-101 |
Trenger du hjelp?
Hvis du trenger hjelp med Biltema 86-101 still et spørsmål nedenfor, og andre brukere vil svare deg
dørlukker Biltema Manualer
10 September 2025
9 September 2025
Biltema Manualer
14 September 2025
14 September 2025
14 September 2025
14 September 2025
14 September 2025
14 September 2025
14 September 2025
14 September 2025
13 September 2025
13 September 2025