Festo OVEM-14-H-B-QO-CE-N-1PD Bruksanvisning
Festo
Ikke kategorisert
OVEM-14-H-B-QO-CE-N-1PD
Les nedenfor 📖 manual på norsk for Festo OVEM-14-H-B-QO-CE-N-1PD (50 sider) i kategorien Ikke kategorisert. Denne guiden var nyttig for 17 personer og ble vurdert med 5.0 stjerner i gjennomsnitt av 9 brukere
Side 1/50

8125662
OVEM
Vacuum generator
8125662
2020-05h
[8125664]
Operating instructions

Translation of the original instructions
2 Festo — OVEM — 2020-05h

3Festo — OVEM — 2020-05h
1 About this document................................................................................................... 5
1.1 Applicable documents.................................................................................................. 5
2 Safety........................................................................................................................... 5
2.1 Safety instructions........................................................................................................ 5
2.2 Intended use................................................................................................................ 5
2.3 UL certification............................................................................................................. 5
3 Further information..................................................................................................... 6
4 Service..........................................................................................................................6
5 Product overview......................................................................................................... 6
5.1 Product design............................................................................................................. 7
5.1.1 Product variants......................................................................................................7
5.1.2 Display components............................................................................................... 10
5.2 Function....................................................................................................................... 14
5.2.1 Switching functions................................................................................................ 15
5.2.2 Valve control...........................................................................................................16
5.2.3 Air saving function.................................................................................................. 17
5.2.4 Optimisation of the transport time..........................................................................18
5.2.5 Monitoring and diagnostics.................................................................................... 18
5.2.6 Measured variables................................................................................................ 19
5.2.7 Teach function........................................................................................................ 20
5.2.8 Operating statuses and menu structure..................................................................21
6 Assembly..................................................................................................................... 25
7 Installation.................................................................................................................. 28
7.1 Pneumatic installation.................................................................................................. 28
7.2 Electrical installation.................................................................................................... 30
8 Commissioning............................................................................................................ 32
8.1 Commissioning the vacuum generator......................................................................... 32
8.2 Setting the intensity of the ejector pulse...................................................................... 33
9 Operation and use....................................................................................................... 34
9.1 Setting the ejector pulse duration................................................................................ 34
9.2 Configuring switching outputs...................................................................................... 35
9.3 Setting the switching characteristics of a switching output........................................... 35
9.4 Set diagnostic message channel.................................................................................. 36
9.5 Teach-in switching point............................................................................................... 37
9.6 Deleting minimum or maximum pressure value............................................................ 37
9.7 Setting critical limits for the evacuation and air supply times........................................38
9.8 Teaching evacuation and air supply time...................................................................... 38
9.9 Displaying evacuation and air supply times.................................................................. 39
9.10 Deleting evacuation and air supply times..................................................................... 39
9.11 Mechanical manual override......................................................................................... 40
Table of contents

9.12 Electrical manual override............................................................................................. 40
9.13 Activating the security code...........................................................................................41
9.14 Switching air saving function on or off...........................................................................41
9.15 Restore factory settings.................................................................................................41
10 Maintenance and care.................................................................................................. 42
11 Fault clearance............................................................................................................. 43
11.1 Diagnostic levels........................................................................................................... 43
11.2 Error messages and error codes.................................................................................... 44
11.3 Malfunctions..................................................................................................................45
12 Disassembly.................................................................................................................46
13 Disposal........................................................................................................................47
14 Technical data.............................................................................................................. 47
4 Festo — OVEM — 2020-05h

The unit shall be supplied by a power source which fulfils the requirements on a limited-energy circuit
in accordance to IEC/EN/UL/CSA 61010-1 or on a Limited Power Source (LPS) in accordance to
IEC/EN/UL/CSA 60950-1 or IEC/EN/UL/CSA 62368-1 or a Class 2 circuit in accordance to NEC or CEC.
3 Further information
– Accessories èwww.festo.com/catalogue.
– Spare parts èwww.festo.com/spareparts.
4 Service
Contact your regional Festo contact person if you have technical questions èwww.festo.com.
5 Product overview
Further information
6 Festo — OVEM — 2020-05h

Product variant Code Meaning
-05 0.45mm
-07 0.7mm
-10 0.95mm
-14 1.4mm
-20 2.0mm
Nominal width of Laval
nozzle
-30 3.0mm
-H high negative pressureVacuum type
-L high suction volume
-B 20 mm wide, ISO standard
-BN 20 mm wide, NPT
Housing size/width
-C 36 mm wide, ISO standard
all ports with QS push-in fittings (-B-QS/-C-QS)-QS
all ports with QS push-in fittings inch (-BN-QS)
Supply/vacuum port with QS push-in fittings, exhaust
port with open silencer (-B-QO/-C-QO)
-QO
Supply/vacuum port with QS push-in fittings inch,
exhaust port with open silencer (-BN-QO)
all ports with G female thread (-B-GN/-C-GN)-GN
all ports with NPT female thread (-BN-GN)
Supply/vacuum port with G female thread, exhaust port
with open silencer (-B-GO/-C-GO)
-GO
Supply/vacuum port with NPT female thread, exhaust
port with open silencer (-BN-GO)
prepared for common supply manifold, vacuum and
exhaust port with QS push-in fittings (-B-PL/-C-PL)
-PL
prepared for common supply manifold, vacuum and
exhaust port with QS push-in fittings inch (-BN-PL)
prepared for common supply manifold, vacuum port
with QS push-in fittings, exhaust port with open silencer
(-B-PO/-C-PO)
Pneumatic ports
-PO
prepared for common supply manifold, vacuum port
with QS push-in fittings inch, exhaust port with open
silencer (-BN-PO)
Product overview
8 Festo — OVEM — 2020-05h

5.1.2 Display components
1
Display segment switching output Out A
2
Display segment switching output Out B
(except OVEM-...-1PD)
3
Display segment switching input In A1
(except OVEM-...-1PD)
4
4-digit alphanumeric display
5
Toolbar for functions
6
Segment bar right: graphic display of the
current status of the digital inputs or valve
status
7
B pushbutton
8
A pushbutton
9
EDIT button
10
Segment bar left: graphic display of the cur-
rent pressure value related to the maximum
measured value of the measuring range
Fig. 2 LCD display and operating keys
Symbol Description
Threshold value comparator selected
"[SP]" Switching point
Product overview
10 Festo — OVEM — 2020-05h

Symbol Description
Window comparator selected
"[SP]" + "[min]" lower switching point
"[SP]" + "[max]" upper switching point
"[HY]" Hysteresis
"[NO]"/"[NC]" Switching logic N/O contact (normally open) / N/C contact (normally
closed)
"[TeachIn]" Teach function (teach-in) active
"[Option]" Air saving function active
"[Lock]" Security code active
Segments display the following:
– current status of the digital inputs
– current valve status
è Tab. 5 OVEM-...-2P/-2N/PU/PI: additional displays of segment bars –
examples and
è Tab. 6 OVEM-...-1PD: additional displays of segment bars – examples
Tab. 4 Symbols in display
Display Description
Segment L10 is lit Vacuum solenoid valve is switched.
Segment L14 is lit Ejector pulse solenoid valve is switched.
Segment L17 + "[A]" lit and "[min]" flashing Minimum pressure value display
Segment L17 + "[A]" lit and "[max]" flash-
ing
Maximum pressure value display
Product overview
11Festo — OVEM — 2020-05h

Function OVEM-...
-2P/2N/P-
U/PI
OVEM-...
-1PD
Generation of an ejector pulse/power ejector pulse via a control signal at
the digital switching input (Eject) DI2
- x
Tab. 7 Function overview
5.2.1 Switching functions
The solenoid valve for vacuum generation switches as an N/C or N/O contact, depending on the ver-
sion, when pressurised with compressed air.
The switching outputs can be configured via the switching functions. The switching mode of the
switching outputs can be set as threshold value or window comparators.
Threshold value comparator Normally open (N/O contact) Normally closed (N/C contact)
Switching function:
– 1 switching point (SP1)
TEACH mode
1)
:
– 2 teach points (TP1, TP2)
– SP1 = ½ (TP1+TP2)
1) TP1 = minimum pressure value, TP2 = maximum pressure value, independent of the teach-in sequence
Tab. 8 Threshold value comparator: setting of switching point SP1 and hysteresis HY
Window comparator Normally open (N/O contact) Normally closed (N/C contact)
Switching function:
– 2 switching points (SP1,
SP2)
TEACH mode
1)
:
– 2 teach points (TP1, TP2)
1) TP1 = minimum pressure value, TP2 = maximum pressure value, independent of the teach-in sequence
Tab. 9 Window comparator: setting of switching points SP1, SP2 and hysteresis HY
Code Switching output A Switching output B Switching inputs
-1PD Switching output positive
switching pressure sensor
outputA
- 2switching inputs, positive
switching
-2P Switching output positive
switching pressure sensor
outputA
Switching output positive
switching pressure sensor
outputB or diagnostic mes-
sage channel
Switching input positive
switching
Product overview
15Festo — OVEM — 2020-05h

Code Switching output A Switching output B Switching inputs
-2N Switching output negative
switching pressure sensor
outputA
Switching output negative
switching pressure sensor
outputB or diagnostic mes-
sage channel
Switching input negative
switching
-PI Switching output positive
switching pressure sensor
outputA
Analogue output 4…20mA
vacuum
Switching input positive
switching
-PU Switching output positive
switching pressure sensor
outputA
Analogue output 0…10V
vacuum
Switching input positive
switching
Tab. 10 Switching output and switching input variants
5.2.2 Valve control
Control of the ejector pulse
– Auto-drop function (except for OVEM-...-1PD)
The ejector pulse is generated after the “Suction” signal change.
The duration of the ejector pulse can be setè 9.1 Setting the ejector pulse duration.
– Signal-controlled ejector pulse/power ejector pulse (OVEM-...-1PD only)
The ejector pulse is generated via a control signal at the digital switching input (ejection) DI2. The
duration of the ejector pulse can be set via the duration of the control signal at the digital switch-
ing input (ejector) DI2. The vacuum solenoid valve or the ejector pulse solenoid valve is controlled
as defined by the input signal.
Destruction of the vacuum sensor due to overpressure (-CPE/-OPE)
The exhaust duct is sealed tightly during the power ejector pulse. This can cause overpressure at the
vacuum port and destroy the vacuum sensor.
• Use power ejector pulse only in open vacuum systems.
Product overview
16 Festo — OVEM — 2020-05h

1
Control signal at the digital switching input
(suction) DI1
2
Control signal at the digital switching input
(ejection) DI2 (only OVEM-...-1PD)
3
Switching position of vacuum solenoid
valve
4
Switching position of ejector pulse solenoid
valve
5
Vacuum port (2)
tab
Duration of ejector pulse
Fig. 3 Valve control switching characteristics
5.2.3 Air saving function
The air saving function reduces air consumption during the evacuation phase.
Product overview
17Festo — OVEM — 2020-05h

1
Hysteresis
2
Threshold value "Switch off suction" =
switching point SP
A1
3
Threshold value “Switch on suction”
4
Ejector pulse
Fig. 4 Mode of operation of the air saving function
If the pressure value has reached switching point SP1 2, vacuum generation is deactivated. An
internal check valve prevents reduction of the vacuum. Vacuum can still be reduced slowly due to
leakage in the overall system (e.g.due to rough workpiece surfaces). To reduce power consumption,
vacuum generation is not switched on until it falls below the lower threshold value 3.
The air saving function is activated in the factory.
If air-permeable workpieces are transported, the vacuum is reduced more quickly, which would cause
the vacuum generation to switch unnecessarily often. In this case, it makes sense to deactivate the air
saving function è 9.14 Switching air saving function on or off.
5.2.4 Optimisation of the transport time
The transport time can be optimised for variants with 2 switching outputs (OVEM-...-2P/-2N/-PU/-PI)
by using switching output Out B.
The vacuum required for the transport is controlled by switching output Out A. To optimise the trans-
port time, the workpiece can e.g. be gripped by the usable vacuum while the vacuum is building up.
The minimum usable vacuum required is monitored by switching output Out B.
5.2.5 Monitoring and diagnostics
The vacuum generator has monitoring functions that enable early detection of malfunctions or faults
during operation.
– Monitoring of process parameters (pressure value at the vacuum connection, switching points,
switching outputs and switching inputs, evacuation time t
E
, pressurisation time t
B
and critical limit
values)
– Diagnostic messages è 11.1 Diagnostic levels
Product overview
18 Festo — OVEM — 2020-05h

– Fault detection è 11 Fault clearance
The diagnostic messages are shown on the display.
Switching output Out B can also be set as a diagnostic message channel (dI 1 or dI 2) for variants with
2 switching outputs (OVEM-...-2P/-2N)è 9.4 Set diagnostic message channel.
The monitoring functions are activated at the factory (except for monitoring of the evacuation and
pressurisation times). The time monitoring can be activated through setting of the critical limits for
evacuation time and pressurisation
timeè 9.7 Setting critical limits for the evacuation and air supply times.
5.2.6 Measured variables
Pressure value (vacuum)
The pressure value (vacuum) between the vacuum port and filter is continuously measured.
In the OVEM-...-20/30-C, the pressure value (vacuum) between the filter and the check valve is con-
tinuously monitored.
The minimum and maximum measured pressure values are saved. If the operating voltage of the vacu-
um generator is switched off, these values are reset.
Cycle time
A cycle covers the time from the start of evacuation through ejection to the start of the new evacu-
ation.
Evacuation time and pressurisation time
The evacuation time t
E
is measured from the start of evacuation until switching point SP1 of the
switching output is reached.
The pressurisation time t
B
is measured from the start of pressurisation up to the time at which the
pressure value (vacuum) falls below −50mbar.
Product overview
19Festo — OVEM — 2020-05h

1
Switching point SP1
2
Reset point RSP1
tE
Evacuation time
tB
Pressurisation time
Fig. 5 Cycle time - example for Out A (air save)
The displayed sequence of the switching statuses and control signals applies to all product variants
except OVEM-...-1PD. Sequence for OVEM-...-1PD è Fig.3
5.2.7 Teach function
The Teach function enables configuration of the switching points and time monitoring during runtime.
Static teach-in
Depending on the Teach command, one switching point (SP) or 2 switching points (SP1, SP2) are
determined from 2 teach points. The switching points are determined statically, that is, the measure-
ment value remains constant during the entire teach-in procedure. The air saving function is deactiv-
ated during execution of the teach-in procedure.
Dynamic teach-in
Setpoint values are calculated within the teach-in procedure from a time period. The procedure is
used to determine evacuation and air supply times. è Fig.6
After the start of the teach-in, time t
E
and t
B
are measured at every cycle. The times are averaged over
multiple cycle times. At the end of the teach-in, a function reserve of 100%is added to the averaged
values.
Product overview
20 Festo — OVEM — 2020-05h

SHOW mode
– Display of the current settings
– Display and delete minimum and maximum pressure values
– Display and delete minimum and maximum evacuation and pressurisation time
– Display of diagnostic messages
1
Submenu only available with
OVEM-...-2P/-2N/-PU/-PI
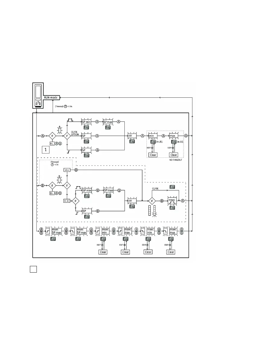
Fig. 7 Menu structure for SHOW mode
Product overview
23Festo — OVEM — 2020-05h

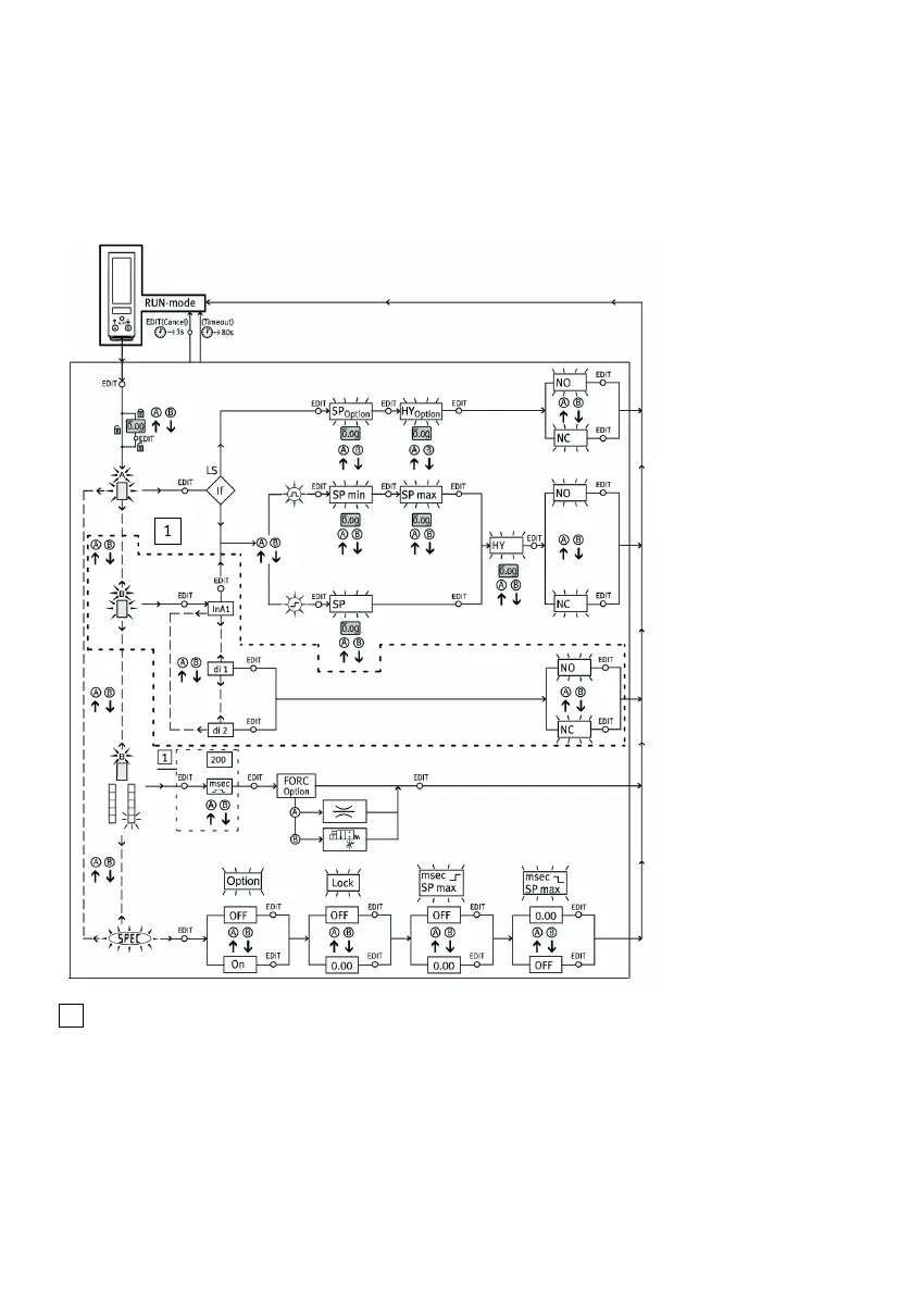
EDIT mode
– Setting of parameters
– Operation of the electrical manual override (FORC)
1
Submenu only available with
OVEM-...-CE/-OE/-CPE/-OPE
Fig. 8 EDIT mode menu structure
Product overview
24 Festo — OVEM — 2020-05h

Direct mounting
Fig. 10 Direct mounting on the side
Variant Screws Tightening torque
OVEM-...-05/-07/-10-...-B/-BN M5 max. 2.5Nm
OVEM-...-14/-20-...-B/-BN M4 max. 2.5Nm
OVEM-...-20/-30-...-C M6 max. 2.5Nm
Tab. 12 Size and tightening torque of the screws for direct mounting on the side
Fig. 11 Direct mounting on the back
Variant Screw Tightening torque
OVEM-...-05/-07/-10/-14/-20-...-B/-BN M3 max. 0.8Nm
OVEM-...-20/-30-...-C M4 max. 0.8Nm
Tab. 13 Size and tightening torque of the screws with direct mounting on the back
Assembly
26 Festo — OVEM — 2020-05h
Produkspesifikasjoner
Merke: | Festo |
Kategori: | Ikke kategorisert |
Modell: | OVEM-14-H-B-QO-CE-N-1PD |
Trenger du hjelp?
Hvis du trenger hjelp med Festo OVEM-14-H-B-QO-CE-N-1PD still et spørsmål nedenfor, og andre brukere vil svare deg
Ikke kategorisert Festo Manualer
6 August 2025
6 August 2025
6 August 2025
6 August 2025
6 August 2025
6 August 2025
6 August 2025
6 August 2025
31 Mars 2025
31 Mars 2025
Ikke kategorisert Manualer
- Digi-Pas
- EA Elektro Automatik
- SereneLife
- Sissel
- Gefen
- Corsair
- Jocel
- Telmax
- Sloan
- LC-Power
- Sungrow
- Dynacord
- Tempo
- Raidsonic
- CyberPower
Nyeste Ikke kategorisert Manualer
8 Oktober 2025
8 Oktober 2025
8 Oktober 2025
8 Oktober 2025
8 Oktober 2025
8 Oktober 2025
8 Oktober 2025
8 Oktober 2025
8 Oktober 2025
8 Oktober 2025